本發明涉及水處理領域,具體涉及一種輪胎產業過程中對于雨水、清潔廢水以及生活污水的綜合處理系統。一種綜合水處理系統,包括生活污水預處理系統、生產廢水預處理系統、雨水預處理系統以及綜合處理系統,其中,生活污水預處理系統、生產廢水預處理系統、雨水預處理系統均分別與綜合處理系統連接。本發明主要根據不同水質通過不同的處理方式進行處理,處理效果比整體處理效果好。廢水、污水分開處理后,全部回收利用后,做到零排放。合肥萬力廠區面積500畝,根據合肥市歷年年平均降雨量在一千多毫米,每年廠區內有40多萬噸的雨水量。本項目的投入每年可以節約用水20萬多噸。

權利要求書
1.一種綜合水處理系統,其特征在于:包括生活污水預處理系統、生產廢水預處理系統、雨水預處理系統以及綜合處理系統,其中,生活污水預處理系統、生產廢水預處理系統、雨水預處理系統均分別與綜合處理系統連接。
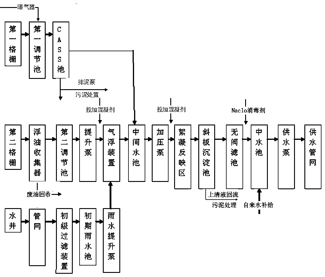
2.根據權利要求1所述的綜合水處理系統,其特征在于:所述的生活污水預處理系統包括依次設置的格柵、調節池以及CASS池。
3.根據權利要求2所述的綜合水處理系統,其特征在于:所述的生產廢水預處理系統包括依次設置的第二格柵、浮油收集器、第二調節池、提升泵以及氣浮裝置。
4.根據權利要求3所述的綜合水處理系統,其特征在于:所述的雨水預處理系統包括依次設置的水井、管網、初級過濾裝置以及初期雨水池,所述的初期雨水池也通過雨水提升泵與氣浮裝置相連。
5.根據權利要求4所述的綜合水處理系統,其特征在于:所述的綜合處理系統包括依次設置的中間水池、一體化凈水器以及中水池;所述的中間水池分別與CASS池以及氣浮裝置進行連接。
6.根據權利要求5所述的綜合水處理系統,其特征在于:所述的一體化凈水器包括依次設置的絮凝反映區、沉淀區以及過濾池。
7.根據權利要求6所述的綜合水處理系統,其特征在于:所述的沉淀區為斜板沉淀池。
8.根據權利要求7所述的綜合水處理系統,其特征在于:所述的過濾池為無閥濾池。
9.根據權利要求8所述的綜合水處理系統,其特征在于:所述的中水池還與外部供水系統進行連接。
10.根據權利要求9所述的綜合水處理系統,其特征在于:所述的外部供水系統包括依次設置的供水泵以及供水管網,所述供水泵與中水池連接。
說明書
綜合水處理系統
技術領域
本發明涉及水處理領域,具體涉及一種輪胎產業過程中對于雨水、清潔廢水以及生活污水的綜合處理系統。
背景技術
水,生命之源是一種極其寶貴的資源。我國的水資源并不豐富,全國有2/3的城市缺水。而隨著城市化進程的加快,城市中的景觀用水、道路沖洗、綠化及洗車等的用水量快速增長使得本就緊張的水資源顯得更加缺乏。同時由于城市化的推進使得更多底面被各種建筑、道路覆蓋,從而使得雨水無法下滲到地下,加重城市排水系統的壓力。近年來,常常聽到城市內澇的報道也就不足為奇。因此,如果能將水進行綜合進行處理并應用于生產生活中,能夠節約資源。
對于輪胎生產企業來說,在整個輪胎生產過程中很多工序西都會產出清潔廢水,員工在生活中也會產生相應生活污水。而目前的處理方式主要是把清潔廢水和生活污水匯入廠區的污水管路,進行處理,這樣增加了生化污水處理系統的負擔和處理效果。這樣處理的水沒有達到處理預期,不能回收利用。如果將雨水、清潔廢水以及生活污水進行分類有效處理并加以利用,能夠大大減少水資源的壓力。
發明內容
本發明旨在針對上述問題,提出一種綜合水處理系統,在具體實施過程中,將雨水、清潔廢水和生活污水分開進行凈化處理的處理系統。
本發明的具體方案在于:
一種綜合水處理系統,包括生活污水預處理系統、生產廢水預處理系統、雨水預處理系統以及綜合處理系統,其中,生活污水預處理系統、生產廢水預處理系統、雨水預處理系統均分別與綜合處理系統連接。
所述的生活污水預處理系統包括依次設置的格柵、調節池以及CASS池。
所述的生產廢水預處理系統包括依次設置的第二格柵、浮油收集器、第二調節池、提升泵以及氣浮裝置。
所述的雨水預處理系統包括依次設置的水井、管網、初級過濾裝置以及初期雨水池,所述的初期雨水池也通過雨水提升泵與氣浮裝置相連。
所述的綜合處理系統包括依次設置的中間水池、一體化凈水器以及中水池;所述的中間水池分別與CASS池以及氣浮裝置進行連接。
所述的一體化凈水器包括依次設置的絮凝反映區、沉淀區以及過濾池。
所述的沉淀區為斜板沉淀池。
所述的過濾池為無閥濾池。
所述的中水池還與外部供水系統進行連接。
所述的外部供水系統包括依次設置的供水泵以及供水管網,所述供水泵與中水池連接。
本發明的具體效果在于:
本發明主要根據不同水質通過不同的處理方式進行處理,處理效果比整體處理效果好。廢水、污水分開處理后,全部回收利用后,做到零排放。合肥萬力廠區面積500畝,根據合肥市歷年年平均降雨量在一千多毫米,每年廠區內有40多萬噸的雨水量。本項目的投入每年可以節約用水20萬多噸。





